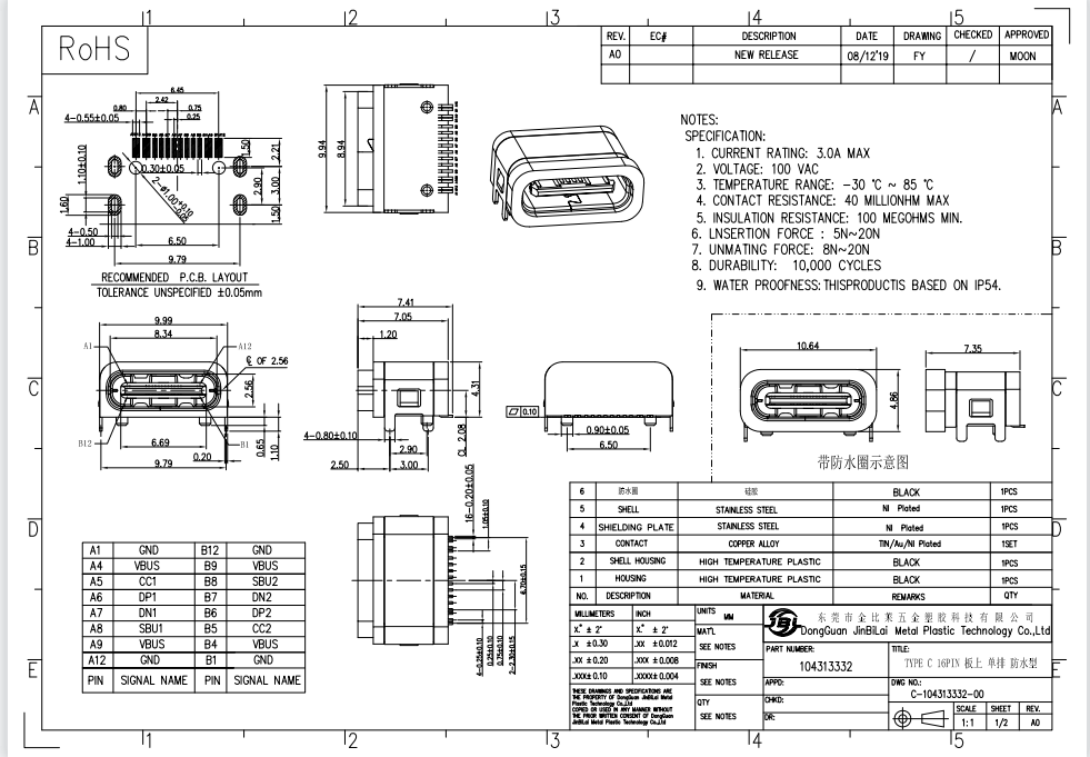
104313332—type c 16Pin 板上单排 防水型连接器
来源: 发布时间:2021-08-06 点击量:1225


产品特点:
1. 相比于常规的type c 增加了防水功能,配有防水圈,让您用得更加放心
2. 板上式,采用SMT贴片工艺
3. 抗氧化性能强,功能可靠,满足标准性能测试要求
4. 全自动化高效生产,编带卷装(可真空包装)
如有兴趣,欢迎垂询


Copyrights©2018 东莞市金比莱五金塑胶科技有限公司 All Rights Reserved 备案号:粤ICP备17138240号