联系方式
全国服务热线:189-3852-6072
联系人:彭经理 手机:0769-85375459 传真:0769-82716881 地址:广东省东莞市长安镇格田路4号
历史记录
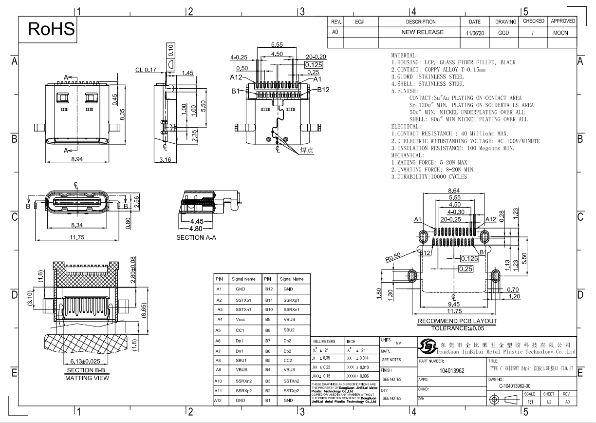
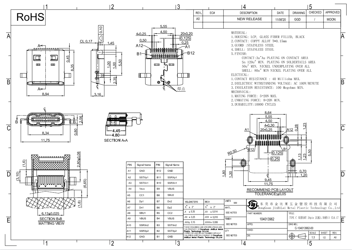
104013962-TYPE C 双排SMT 24pin 沉板1.5H斜口 CL0.17
名称:TYPE C 双排SMT 24pin 沉板1.5H斜口 CL0.17
料号:104013962
品牌:jbl
外壳材质:不锈钢-SUS304
端子材质:铜合金-C5210
塑胶材质:LCP
电镀材质:镀锡/镀金
工作环境:-40~85℃
产品功能:快充,高清,数据传输
其它参数:详见图纸规格书
料号:104013962
品牌:jbl
外壳材质:不锈钢-SUS304
端子材质:铜合金-C5210
塑胶材质:LCP
电镀材质:镀锡/镀金
工作环境:-40~85℃
产品功能:快充,高清,数据传输
其它参数:详见图纸规格书
189-3852-6072
