联系方式
全国服务热线:189-3852-6072
联系人:彭经理 手机:0769-85375459 传真:0769-82716881 地址:广东省东莞市长安镇格田路4号
历史记录
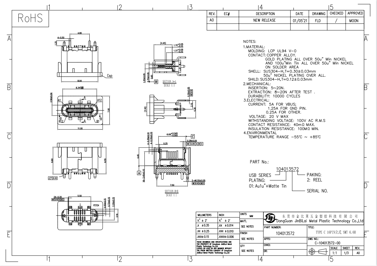
104013572-TYPE C 16PIN立式6.6H
名称:TYPE C 16PIN立式SMT6.6H
料号:104013572
品牌:jbl
外壳材质:不锈钢
端子材质:铜合金
塑胶材质:LCP
电镀材质:镀锡/镀金
工作环境:-40~85℃
产品功能:快充,高清,数据传输
其它参数:详见图纸规格书
料号:104013572
品牌:jbl
外壳材质:不锈钢
端子材质:铜合金
塑胶材质:LCP
电镀材质:镀锡/镀金
工作环境:-40~85℃
产品功能:快充,高清,数据传输
其它参数:详见图纸规格书
189-3852-6072


